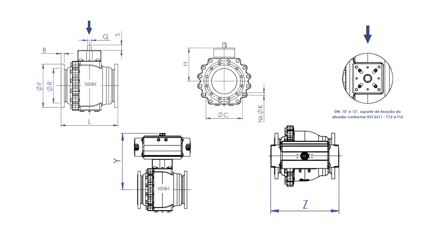
K 305- Válvula Esfera
atuador Pneumático Retorno de Mola Trunnion bi-partida Flangeada Padrão ANSI 150 LBS
Segurança
Sistema Trunnion garante vedação sob alta pressão.
Atuador pneumático com retorno de mola assegura fechamento automático em falhas de ar.
Praticidade e Eficiência
Automação pneumática proporciona operação rápida e precisa.
Corpo bi-partido facilita manutenção e inspeção.
Robustez e Confiabilidade
Flange padrão ANSI 150 LBS para uso industrial.
Materiais de alta resistência garantem durabilidade e desempenho contínuo.








Características:
Norma de Construção conforme ISO 17292 e ASME B16.34. FACE A FACE conforme padrão do fabricante, norma de teste conforme API 598.
KNN Válvulas, Tubos e Conexões
Fornecendo soluções confiáveis em válvulas industriais e conexões hidráulicas.
Contato
+55 11 9.8645-8833
+55 19 9.9642-8833
+55 19 3671-6923
© 2025. Todos os direitos Reservados - KNN Válvulas - Conexões Hidráulicas e Acessórios LTDA
Catálogo
Preencha seus dados, e receba nosso catálogo.
Rua Auriverde,850 - Vila Independência
CEP: 04123-000 - São Paulo/SP
Endereço
Redes Sociais
