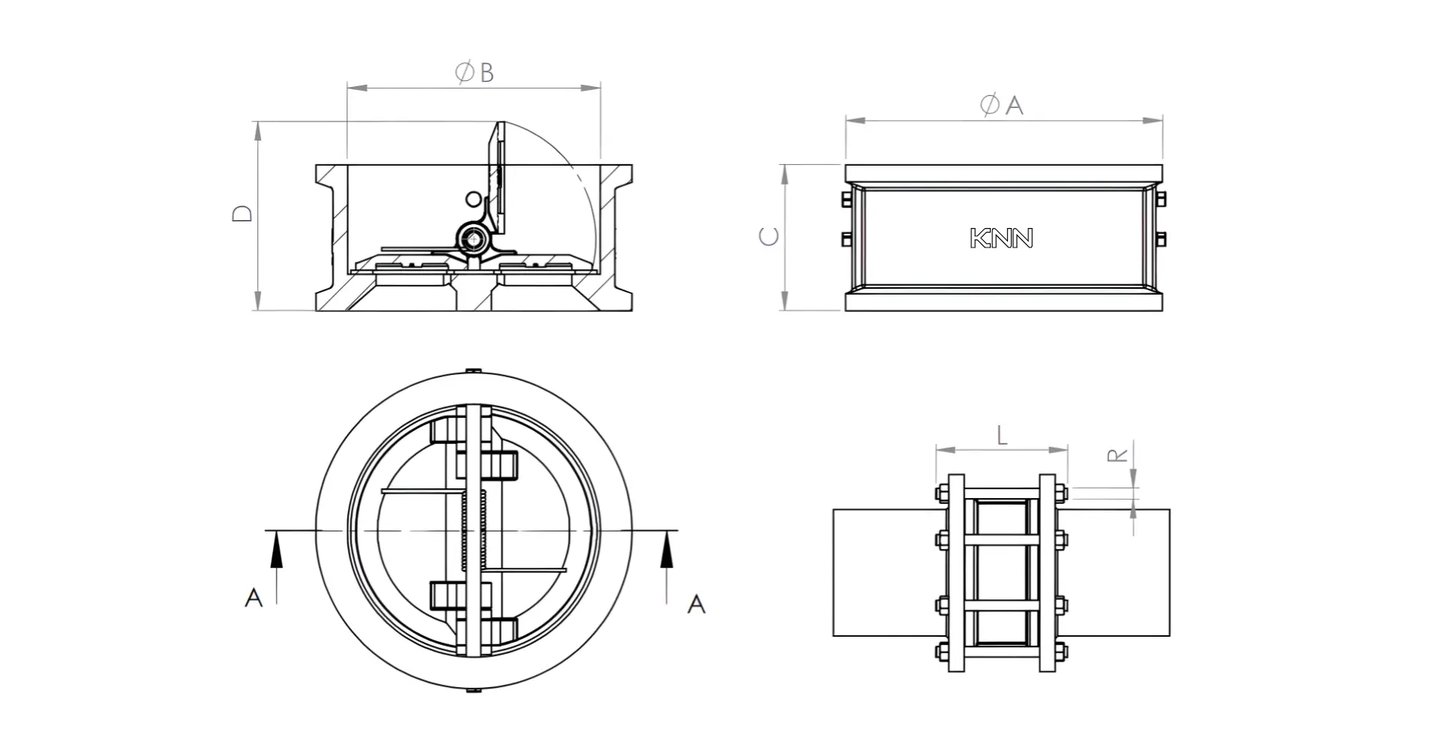
K 160 - Válvula Retenção
Wafer dupla portinhola classe 150 lBS
Segurança
Minimiza refluxo com dupla portinhola, garantindo um fechamento rápido e confiável, protegendo bombas e linhas contra golpes de aríete.
Materiais anticorrosivos (aço inox AISI 304/316, molas em inox ou Inconel X-750) aumentam a segurança em operações críticas e ambientes agressivos.
Praticidade e Eficiência
Design wafer compacto, facilitando instalação entre flanges (ASME B16.5, DIN PN10/16) e reduzindo espaço ocupado na tubulação.
Baixa perda de carga devido ao mecanismo leve e equilibrado, otimizando o fluxo e a eficiência energética da linha.
Robustez e Confiabilidade
Construção disponível em ligas robustas (ferro nodular, aço carbono WCB, aço inox CF8/CF8M), oferecendo longa vida útil e alta resistência mecânica.
Conformidade com API 594 e API 598, garantindo padrões rigorosos de desempenho e confiabilidade nos testes de operação.








KNN Válvulas, Tubos e Conexões
Fornecendo soluções confiáveis em válvulas industriais e conexões hidráulicas.
Contato
+55 11 9.8645-8833
+55 19 9.9642-8833
+55 19 3671-6923
© 2025. Todos os direitos Reservados - KNN Válvulas - Conexões Hidráulicas e Acessórios LTDA
Catálogo
Preencha seus dados, e receba nosso catálogo.
Rua Auriverde,850 - Vila Independência
CEP: 04123-000 - São Paulo/SP
Endereço
Redes Sociais
