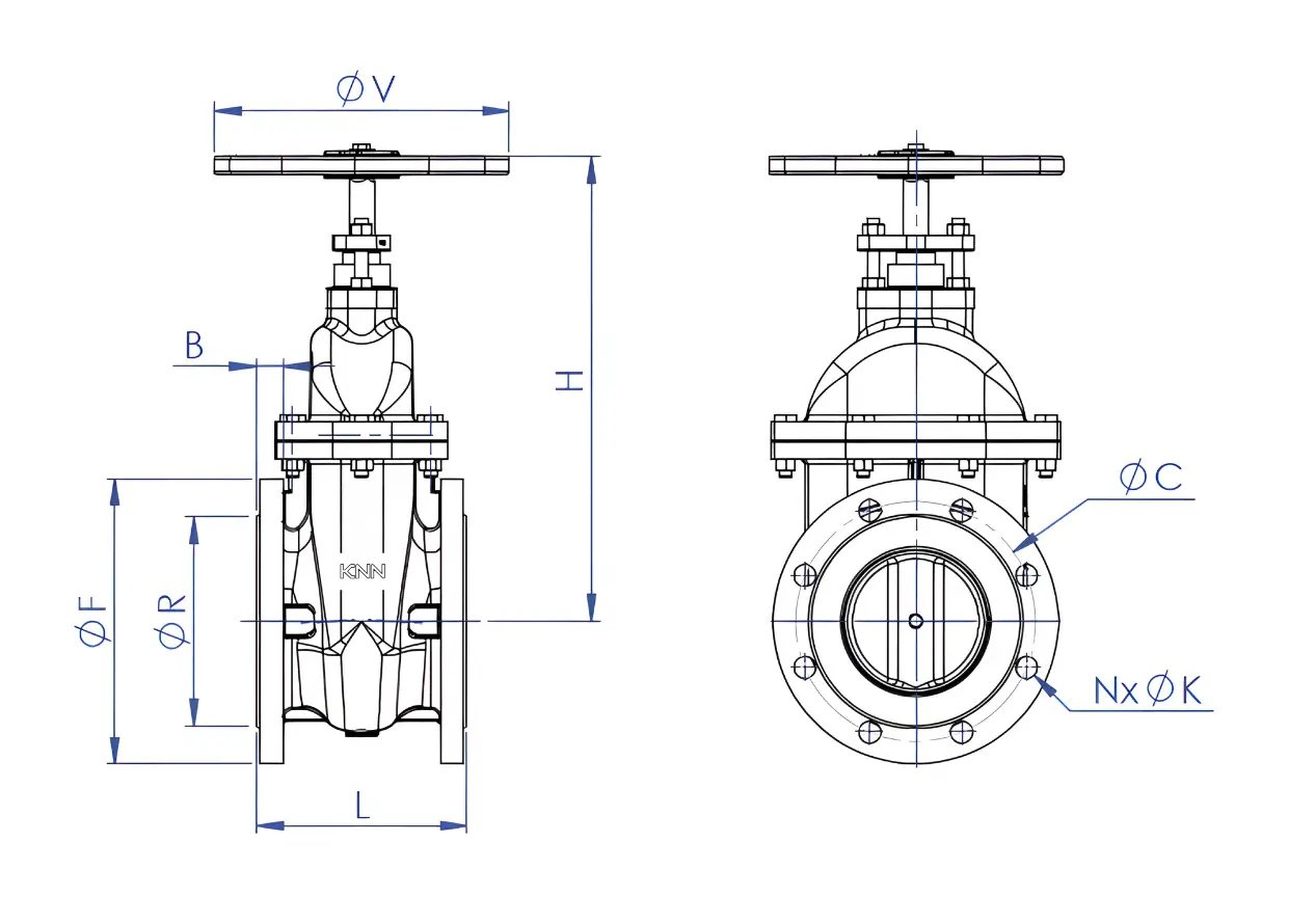
K 153 HF - Válvula Gaveta
Haste fixa cunha Inox- Flangeada Padrão DIN
Segurança
Corpo em ferro nodular e cunha em aço inox CA15, garantindo alta resistência e menor risco de falhas.
Haste inox AISI 410, resistente à corrosão e segura para operação contínua.
Praticidade e Eficiência
Acionamento simples por volante, com opção para caixa redutora ou cabeçote.
Vedação em teflon, proporcionando operação leve e eficiente.
Robustez e Confiabilidade
Estrutura reforçada em ferro nodular para longa durabilidade.
Vedação com anéis e componentes em aço inox, oferecendo desempenho estável em diferentes faixas de pressão (PN4 a PN16).










KNN Válvulas, Tubos e Conexões
Fornecendo soluções confiáveis em válvulas industriais e conexões hidráulicas.
Contato
+55 11 9.8645-8833
+55 19 9.9642-8833
+55 19 3671-6923
© 2025. Todos os direitos Reservados - KNN Válvulas - Conexões Hidráulicas e Acessórios LTDA
Catálogo
Preencha seus dados, e receba nosso catálogo.
Rua Auriverde,850 - Vila Independência
CEP: 04123-000 - São Paulo/SP
Endereço
Redes Sociais
