K 143 - Válvula Borboleta
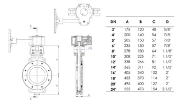
Acionamento por caixa redutora BI Excêntrica - Montagem entre Flanges ANSI / ASME B16.5 - Classe de Pressão 150 LBS
Segurança
Corpo e componentes com design bi excêntrico, que reduz atrito na abertura/fechamento e aumenta a confiabilidade da vedação.
Construção baseada na norma API 609 B, garantindo desempenho seguro e padronizado.
Praticidade e Eficiência
Acionamento por caixa redutora, oferecendo manobras leves e precisas, mesmo em diâmetros maiores.
Sentido de fluxo preferencial indicado no corpo, facilitando instalação e operação correta.
Robustez e Confiabilidade
Construção flangeada conforme ANSI/ASME B16.5, assegurando compatibilidade e resistência mecânica.
Componentes reforçados para longa vida útil e operação estável, inclusive em ciclos intensos.








KNN Válvulas, Tubos e Conexões
Fornecendo soluções confiáveis em válvulas industriais e conexões hidráulicas.
Contato
+55 11 9.8645-8833
+55 19 9.9642-8833
+55 19 3671-6923
© 2025. Todos os direitos Reservados - KNN Válvulas - Conexões Hidráulicas e Acessórios LTDA
Catálogo
Preencha seus dados, e receba nosso catálogo.
Rua Auriverde,850 - Vila Independência
CEP: 04123-000 - São Paulo/SP
Endereço
Redes Sociais
